铁岭切换分站 您好!欢迎访问苏州威尔达焊接设备有限公司网站!
苏州威尔达焊接设备有限公司----------让工业焊接更轻松!
全国咨询热线: 13915583428

联系我们

【 微信扫码咨询 】

13915583428

  • 联系人:陈经理
  • 公司地址:苏州市相城区北桥镇生态路8号万企创意园A栋三楼
  • 您的位置: 首页 >> 产品展示 >> 逆变点焊机

    精密逆变点焊机

    精密逆变点焊机IP-2500A 特点 WEIERDA|苏州威尔达★逆变焊接电源IP-2500A 产品特点√一体式的设计,方便日常管理和使用。√具备63种焊接规范的设√高亮的LCD屏显示,美观易懂。√采用四键设置规范参数,极易上手操作。√实时监测焊接电流值。√对输出电流采用上下限设置,电流异常报警功能

    在线咨询全国咨询热线
    13915583428

    精密逆变点焊机IP-2500A  特点      WEIERDA|苏州威尔达


     ★逆变焊接电源IP-2500A 产品特点

    √一体式的设计,方便日常管理和使用。

    √具备63种焊接规范的设

    √高亮的LCD屏显示,美观易懂。

    √采用四键设置规范参数,极易上手操作。

    √实时监测焊接电流值。

    √对输出电流采用上下限设置,电流异常报警功能,确保了焊接品质。

    √焊接电流精准控制,适用于细小产品的焊接。

    精密逆变点焊机IP-2500A  特点      WEIERDA|苏州威尔达


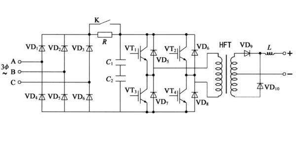
    原理图:

    威尔达逆变焊接电源IP-2500A产品优势

    √直流方波输出,可设置电流缓升缓降,波形平整,逆变频率2K-8K可以根据客户需求定制,无交流过零点电流不连续的缺陷,热量集中,提高了焊接热效应。

    √由32位单片机控制,具有初级定电流,次级定电流,定电压,定功率,定脉宽占空比,同时对电流,电压,功率,电阻,占空比进行监控。

    √采用目前主流的桥式逆变技术,稳定节能可靠。

    √具有电流异常,监控值超限,过热等报警,并且通过I/O输出,提高焊接品质。

    √硬件自我保护功率,本公司所设计的产品,均采用厚膜保护,外部异常情况下,智能切换IGBT模块的驱动信号,增强系统保护功率。

    √多段多次加热设定,电流缓升缓降功能,中间冷却功能,多段重复功率,适合复杂焊接过程,复杂功率的需求。

    √63组参数存储,方便多种焊接品种的使用

    √强大的外部通讯功能:外部PLC可以通过8421码调用任何一组程序,  具有焊接结束,故障,计数,良品与不良品判断,RS232数据通讯接口,适合自动化焊接。

    √强大的数据处理功能,采用目前市场最快的32位ARM芯片,外加逻辑处理器控制,比同行业用的PIC芯片快至少200倍。

    √响应速度快,采用了1K,4K,8KHZ的逆变频率,有交流和储能焊机从原理上无法超越的优势,同时也远远领先国内其他同行。


    焊接实例:

    逆变焊接电源IP-2500A功率参数:

    型号输入电压额定功率最大输出电流控制模式负载持续率逆变频率
    IP-2500A交流220V5.3KVA2500A定电流/定电压/定功率7%1k-8k根据客户要求
    焊接循环时段焊接脉冲数电流缓升缓降存储焊接规范数外形尺寸(mm)重量
    20263172*480*26912KG


    
    在线客服
    联系方式

    热线电话

    13915583428

    上班时间

    周一到周六

    公司电话

    13915583428

    二维码
    线